Mi primera revista Manual Final Robotica | Page 68

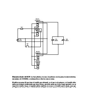
RLY1 5VSPDT S2 RLY2 5VSPDT + V1 10V D1 LED1 D2 LED1 S1 RLY4 5VSPDT RLY3 5VSPDT Elementos dentro del KIT: La base plástica, los ejes, los piñones con las patas, los microswiches, mecanismo de CD ROM; a continuación se observa como se arma: El piñón con patas (4) que tiene el tornillo que sobresale, es el que va de primero, y el tornillo debe entrar en el espacio semicircular que tiene la base, este debe entrar en el eje y luego apretarlo con su respectivo tornillo, luego, el segundo piñón, también con su eje y el tornillo que lo sujeta, para que los diferencien de los otros, posteriormente el piñón que tiene dientes en la parte del cuello, es el que trasmite del mecanismo a los piñones que tienen patas, esto es una pequeña caja reductora en la cual, se aumenta la fuerza para que el tetrápodos, sea Capas de mover los piñones inferiores, y en la parte superior el piñón grande, de ese mismo piñón.