Construction Plans For Abram Street - Phase 1 SET 3 of 4 - UTILITY | Page 61
OF TE
XA
TE
TA
42252
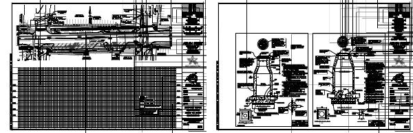
MANHOLE ELEVATION
MANHOLE PAD (6'' thick)
PLAN
MANHOLE ELEVATION
MANHOLE PAD (6" thick)
PLAN
JOINT DETAIL
R E
ED
G
E S I S T E R I
G
S I O N
A L E N
LARRY D. STONE
Construction Plans For Abram Street - Phase 1 SET 3 of 4 - UTILITY | Page 60
Construction Plans For Abram Street - Phase 1 SET 3 of 4 - UTILITY | Page 62
Joomag
is a leading digital publishing and content experience platform that helps businesses
create, distribute, and analyze high-design editorial content, including digital magazines, online catalogs,
digital brochures, sales proposals, and marketing reports. Powered by AI and content automation,
Joomag
enables marketers, publishers, and non-creatives to produce professional, interactive
content at scale.
The platform delivers an exceptional, mobile-optimized reading experience and improves content performance with
individual level analytics, audience insights, and segmentation tools. By uncovering reader interests and
enabling re-engagement through targeted campaigns and personalized content recommendations,
Joomag
helps businesses increase reader engagement and drive higher conversion rates.